SCD-A系列高电流母线槽提供 6 大电气系统,不同材质不同容量的地线形式可供选择,无论何种地线形式全长无 断点,保证地线的的整体性和连续性。

连接头采用活动式设计,方便维修时拆卸或形成电气 隔离;
采用螺栓紧固,辅助以碗形垫片将压力均匀的分散在 接触面上;
连接头部位采用电镀银接触面,双面搭接。并增大导 体的截面,确保连接头具有良好的流性能;
绝缘隔板的边缘增加凹凸沟槽,增大爬电距离;
连接头限位设计,提升安装效率和质量。

螺栓具有力矩控制和指示功能;
采用双螺头设计,安装时,使用普通扳手,将第一个 螺头旋紧至断掉,表示力矩已经达到规定值。
同时,一个醒目的红色指示牌会脱落,方便检查。
螺栓可以在维护时重复使用-贵州母线槽生产厂家。
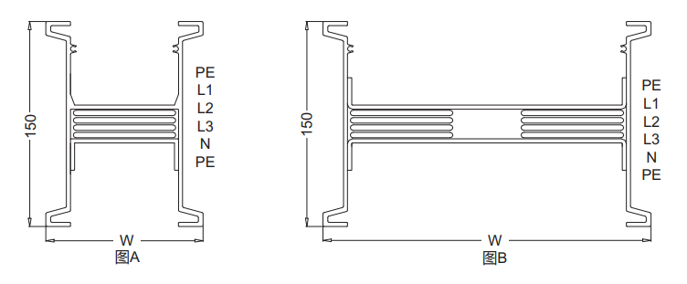
外形尺寸:


上一篇:贵州母线槽厂家:母线槽弯头
下一篇:贵阳母线槽;母线槽馈电单元
全国服务热线电话:
400-6050-388
销售部一 韩先生手机号:
15185085488
销售部二 袁女士手机号:
18096116722
销售部三 韩先生手机号:
15186954976
销售部四 袁先生手机号:
18385193488
点击号码可直接拨打电话