产品介绍:确定母线槽参数 确定额定电流: 设计人员根据母线所带负载计算出负荷,也可参照配电柜所选断路器 额定电流或变压器额定容量来选定。变压器容量与母线额定电流的对应关系如下表:选型按
选型指引

确定母线槽参数
确定额定电流: 设计人员根据母线所带负载计算出负荷,也可参照配电柜所选断路器 额定电流或变压器额定容量来选定。变压器容量与母线额定电流的对应关系如下表:

按照母线槽寿命期内经济效益最佳的原则,确定各回路母线槽的额定电流等级。
确定母线的插接口数量: 对于不需要引出分支的场合,宜采用不带插接口的馈线式母 线;对于需要为大楼竖直供电的场合,宜采用单面带插接口的母线;对于为车间设备 密集供电的场合,宜采用双面带插接口的母线。因为三种结构的母线是相互兼容的, 因此,可根据现场的需要,灵活的进行组合。
防护等级的选择原则: 根据母线槽所处环境粉尘,湿度或是否有潜在的喷淋水危险等 情况,并对照下表的说明,选取合适的防护等级。对于比较复杂的应用环境,要同公司工作人员进行协商-贵州母线槽生产厂家。

参考
根据负载密度,始末端设备,安装方式等确定所选用的母线类型.

母线馈电方案的选择
对于需要通过电缆为母线槽供电的场合,可采用电缆馈电箱作为接口装 置。直接与配电柜或变压器连接的场合,可采用法兰,通过中间过渡铜排进行连接。
插接箱的参数设定
额定电流: 根据支路的负荷容量,确定电流等级15~1600A。建议插接箱额定电流不超过母线干线额定电流50%。
保护元件: 根据不同设备的保护要求,采用断路器作为保护元件的插接箱。
极数以及附加功能: 可选择三极或四极插接箱以及各种辅助功能模块。
分断能力:根据支路的具体要求可以选择25kA,36kA,70kA或100kA各种分断能力的插接单元。
电压降验证
对应整个回路中母线槽的长度,按照电压降数据表核算回路的电压降水平。
根据负载的特征,如果整个回路的电压降超过允许值,应考虑系统的补偿问题或减少单条回路的长度。
保护能力的验证
过载保护:所选用母线槽的电流等级应不小于断路器的整定电流以及工作时通过母线槽的最大电流。
短路保护:母线上允许的峰值电流应不小于断路器的限流值。 与上级断路器的配合:不同断路器的保护能力并不相同,上下级断路器的级联和配合可以有效增强对系统的保护。
重要配件选择
转向部件:母线槽在改变走向时,需要选用转向部件。分为T接,水平弯头和立式弯 头。
膨胀节:水平走向的一段母线槽,根据母线所在的建筑物以及母线走向情况决定是 否采用膨胀节,如是否穿越建筑物伸缩缝,线路总长度以及中间是否有转弯等因素。
谐波抑制
系统谐波对母线槽的危害主要是三次谐波造成的中性线过载,根据三次谐波Ih3的含量 不同,可以采取不同的解决方案: Ih3≤15%中性线截面至少选取相线截面的一半; Ih3≤33%中性线截面应保持与相线截面相同; Ih3>33%应考虑在谐波集中的支路上加装有源或无源滤波装置。
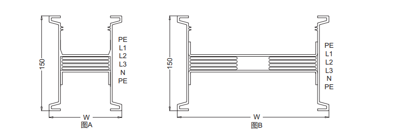
规格尺寸
直线段


外形尺寸参考下表

上一篇:母线槽支架-贵州母线槽
下一篇:母线槽插接箱-贵阳母线槽
全国服务热线电话:
400-6050-388
销售部一 韩先生手机号:
15185085488
销售部二 袁女士手机号:
18096116722
销售部三 韩先生手机号:
15186954976
销售部四 袁先生手机号:
18385193488
点击号码可直接拨打电话